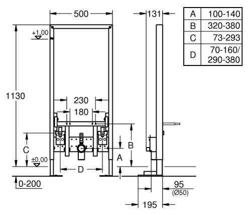
Bâti support bidet Rapid-SL
Pour mur porteur ou non-porteur. Châssis en acier finition époxy. Complètement préassemblé. Raccords réglables en hauteur. Verrouillage de la hauteur. Livré avec matériel de fixation. Fixation pour bidet. Coude d'évacuation DN 50. Joint 32 mm. 2 raccords de robinetterie DN 15. Matériel de fixation pour bidet. Pour une installation murale, munissez-vous des supports muraux 3855800M (Réf QA : 300285).
Code
Réf. fournisseur
Hauteur
300175
38581001
1130mm
Connectez-vous
pour voir les prix et stocks disponibles.
Fiche PDF