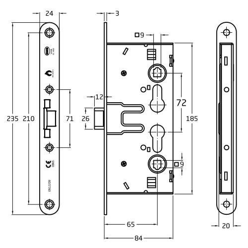
Serrure encastrée pour porte coupe-feu standard
Serrure pour portes coupe feu. Sans fonction anti panique. Avec double carré 9 mm fouillot et double trou de cylindre. Entreaxe: 72 mm. Têtière en acier inox. Sans support et sans cylindre. Pour cylindre europrofil avec panneton longue de 15 mm.
Code
Réf. fournisseur
Axe
Longueur
518144
24009
65mm
185mm
Connectez-vous
pour voir les prix et stocks disponibles.
Fiche PDF