Colonne de douche thermostatique Tempesta Cosmopolitan System 250

TurboStat Régulation de la température quasi-instantanée et sécurité anti-brulûres en cas de coupure d'eau froide. SafeStop Plus limiteur de température intégré à 50°C max. DreamSpray débit d'eau uniforme pour tous les types de jets. MetalGrip poignées ergonomiques en métal. Procédé anti-calcaire SpeedClean. Conduits d'eau internes, longévité maximale. Système anti-torsion. Convient pour chaudière instantanée à partir de 18 kW/h. Débit minimum nécessaire 7 l/min.

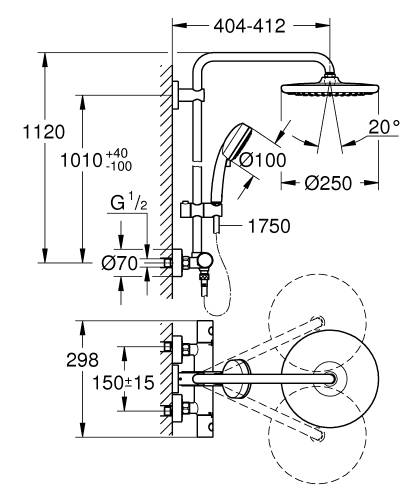
Composé de :
- bras de douche de 390 mm orientable horizontalement
- fixation supérieure réglable en hauteur pour ajustement sur des trous existants
- mitigeur thermostatique incluant fonction inverseur 2 sorties
- douche de tête Tempesta 250 (jet pluie, partie supérieure de la douche de tête blanche, avec rotule, angle de rotation ± 10° et économie d’eau débit limité inférieur 9,5L/min)
- douchette Tempesta 110 (2 jets (jet pluie / jet stimulant))
- curseur ajustable en hauteur
- flexible Rotaflex TwistStop 1750 mm 1/2" x 1/2" (28 410)

Code
Réf. fournisseur
Finition
300166
26671001
Chromé
Fiche PDF